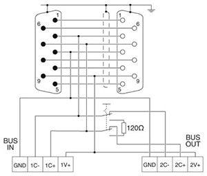
D-Sub-разъем

Код ETIM: EC001132

Фильтры

Найдено: 1 товаров
Штекер шинный D-SUB SUBCON 25/M-SH Phoenix Contact 2761622
Phoenix Contact

Штекер шинный D-SUB SUBCON 25/M-SH Phoenix Contact 2761622

Артикул: 537200

9653,60 ₽

Под заказ: 36 шт.
Подробнее