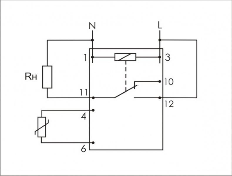
Регулятор температуры модульный для распределительных щитов

Код ETIM: EC001666

Фильтры

Найдено: 16 товаров
Регулятор-ПИД программный ТРМ251-Щ1.ТРР ОВЕН 18749
ОВЕН